| |
|
|
|
|
|
| |
|
|
| |
低压电磁换向阀 |
|
| |
|
|
| |
|
|
|
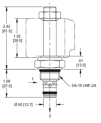
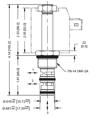
描述:
7/8"
传动装置用二位三通滑阀 |
|
|
|
技术参数
|
| 额定流量:6
GPM (23 L/Min) |
| 最大工作压力:1000
PSI (70 bar) |
| 内泄漏(150
SSU):3
in3/min |
| 响应时间:From
30 mil-sec to 45 mil-sec |
| 过滤精度:30微米(名义) |
| T=TT型电磁线圈电压和插头形式选型 |
| 阀体尺寸和管口螺纹选型 |
|
|
|
| |
|
|
| |
|
|
|
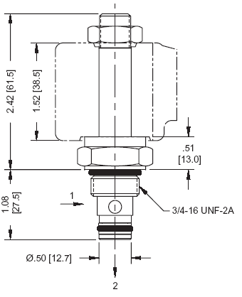
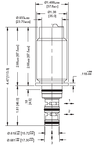
描述:
7/8"
二位三通传动装置用滑阀 |
|
|
|
技术参数
|
| 额定流量:6
GPM (23 L/Min) |
| 最大工作压力:1000
PSI (70 bar) |
| 内泄漏(150
SSU):3
in3/min |
| 响应时间:From
30 mil-sec to 45 mil-sec |
| 过滤精度:30微米(名义) |
| T=TT型电磁线圈电压和插头形式选型 |
| 阀体尺寸和管口螺纹选型 |
|
|
|
| |
|
|
| |
|
|
|
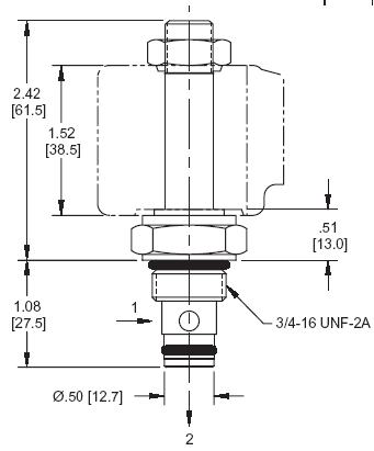
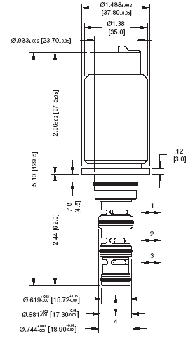
描述:
7/8"
二位四通变速箱用滑阀 |
|
|
|
技术参数
|
| 额定流量:5
GPM (20 L/Min) |
| 最大工作压力:1000
PSI (70 bar) |
| 内泄漏(150
SSU):3
in3/min |
| 响应时间:From
30 mil-sec to 45 mil-sec |
| 过滤精度:30微米(名义) |
| T=TT型电磁线圈电压和插头形式选型 |
| 阀体尺寸和管口螺纹选型 |
|
|
|
| |
|
|
| |
高压电磁换向阀 |
|
| |
|
|
| |
|
|
|
描述:
3/4"
二位二通常闭式先导控制锥阀(断电时允许
油液反向流动) |
|
|
|
技术参数
|
| 额定流量:11
GPM (40 L/Min) |
| 最大工作压力:5000
PSI (350 bar) |
| 内泄漏(150
SSU):5
滴/分 |
| 响应时间:From
30 mil-sec to 45 mil-sec |
| 过滤精度:30微米(名义) |
| P=PB型电磁线圈电压和插头形式选型 |
| 阀体尺寸和管口螺纹选型 |
|
|
|
| |
|
|
| |
|
|
|
描述:
3/4"
二位二通常开式先导控制锥阀(断电时允许
油液反向流动) |
|
|
|
技术参数
|
| 额定流量:7.9
GPM (30 L/Min) |
| 最大工作压力:5000
PSI (350 bar) |
| 内泄漏(150
SSU):5
滴/分 |
| 响应时间:From
30 mil-sec to 45 mil-sec |
| 过滤精度:30微米(名义) |
| P=PB型电磁线圈电压和插头形式选型 |
| 阀体尺寸和管口螺纹选型 |
|
|
|
| |
|
|
| |
|
|
|
描述:
3/4"
二位二通先导控制双向阀 |
|
|
|
技术参数
|
| 额定流量:11
GPM (40 L/Min) |
| 最大工作压力:5000
PSI (350 bar) |
| 内泄漏(150
SSU):5
滴/分 |
| 响应时间:From
30 mil-sec to 45 mil-sec |
| 过滤精度:30微米(名义) |
| P=PB型电磁线圈电压和插头形式选型 |
| 阀体尺寸和管口螺纹选型 |
|
|
|
| |
|
|
| |
换档变速箱电磁阀 |
|
| |
|
|
| |
|
|
|
描述:
整体插入式2位2通常开式变速箱用滑阀 |
|
|
|
技术参数
|
| 额定流量:6
GPM (23 L/Min) |
| 最大工作压力:1000
PSI (70 bar) |
| 内泄漏(150
SSU):50
cm3/min AT 60° |
| 响应时间:From
30 mil-sec to 45 mil-sec |
| 过滤精度:30微米(名义) |
|
线圈参数
|
| 工作电压:12
vdc +/- 15% |
| 释放电压:8.5
VDC at 212°F
(100° C) |
| 峰值电压:25
VDC for 5 min. at 50°F (10° C) |
| 工作温度范围:-40°F
(-40°C) at 230°F (110°C) |
| 线圈电阻:7.3
ohms +/- 5% at 68°F (20° C) |
| 颜色:黑色 |
| 阀体尺寸和管口螺纹选型 |
|
|
|
| |
|
|
| |
|
|
|
描述:
整体插入式2位3通变速箱用滑阀 |
|
|
|
技术参数
|
| 额定流量:6
GPM (23 L/Min) |
| 最大工作压力:1000
PSI (70 bar) |
| 内泄漏(150
SSU):50
cm3/min AT 60° |
| 响应时间:From
30 mil-sec to 45 mil-sec |
| 过滤精度:30微米(名义) |
|
线圈参数
|
| 工作电压:12
vdc +/- 15% |
| 释放电压:8.5
VDC at 212°F
(100° C) |
| 峰值电压:25
VDC for 5 min. at 50°F (10° C) |
| 工作温度范围:-40°F
(-40°C) at 230°F (110°C) |
| 线圈电阻:7.3
ohms +/- 5% at 68°F (20° C) |
| 颜色:黑色 |
| 阀体尺寸和管口螺纹选型 |
|
|
|
| |
|
|
| |
|
|
|
描述:
整体插入式2位3通变速箱用滑阀 |
|
|
|
技术参数
|
| 额定流量:6
GPM (23 L/Min) |
| 最大工作压力:1000
PSI (70 bar) |
| 内泄漏(150
SSU):50
cm3/min AT 60° |
| 响应时间:From
30 mil-sec to 45 mil-sec |
| 过滤精度:30微米(名义) |
|
线圈参数
|
| 工作电压:12
vdc +/- 15% |
| 释放电压:8.5
VDC at 212°F
(100° C) |
| 峰值电压:25
VDC for 5 min. at 50°F (10° C) |
| 工作温度范围:-40°F
(-40°C) at 230°F (110°C) |
| 线圈电阻:7.3
ohms +/- 5% at 68°F (20° C) |
| 颜色:红色 |
| 阀体尺寸和管口螺纹选型 |
|
|
|
| |
|
|
| |
|
|
|
描述:
整体插入式2位4通变速箱用滑阀 |
|
|
|
技术参数
|
| 额定流量:5.28
GPM (20 L/Min) |
| 最大工作压力:1000
PSI (70 bar) |
| 内泄漏(150
SSU):50
cm3/min AT 60° |
| 响应时间:From
30 mil-sec to 45 mil-sec |
| 过滤精度:30微米(名义) |
|
线圈参数
|
| 工作电压:12
vdc +/- 15% |
| 释放电压:8.5
VDC at 212°F
(100° C) |
| 峰值电压:25
VDC for 5 min. at 50°F (10° C) |
| 工作温度范围:-40°F
(-40°C) at 230°F (110°C) |
| 线圈电阻:7.3
ohms +/- 5% at 68°F (20° C) |
| 颜色:黑色 |
| 阀体尺寸和管口螺纹选型 |
|
|
|
| |
|
|
| |
|
|
 |
描述:
整体插入式比例减压阀 |
|
|
|
技术参数
|
| 额定流量:7.28
GPM (30 L/Min) |
| 最大工作压力:70
PSI (4.8 bar) |
| 静止状态泄漏(150
SSU):<35
in3/min (500 cc/min) |
| 响应时间:<
100 ms |
| 过滤精度:25微米(名义) |
|
线圈参数
|
| 线圈电阻:9.9
ohms +/- 5% at 68°F (20° C) |
| 功率:14
Watt |
| 输入线圈电流形式:PWM |
| 输入电流范围:200-800
mA |
| 颤振信号频率:100-150
Hz |
| 阶跃响应:<
100 ms |
| 工作温度:
-40°F (-40°C) at 230°F (110°C) |
| 阀体尺寸和管口螺纹选型 |
|
|
|
| |
|
|
| |
|
|
 |
描述:
法兰安装整体插入式比例减压阀 |
|
|
|
技术参数
|
| 额定流量:1
GPM (4 L/Min) |
| 最大工作压力:500
PSI (35 bar) |
静止状态泄漏(150
SSU):.9
in3/min (15 cc/min)
500 PSI (35 bar) |
| 响应时间:<
80 ms |
| 过滤精度:25微米(名义) |
|
线圈参数
|
| 线圈电阻:5.4
ohms at 68°F (20° C) |
| 输入线圈电流形式:PWM |
| 输入电流范围:200-1400
mA |
| 颤振信号频率:100-150
Hz |
| 阶跃响应:<
100 ms |
| 阀体尺寸和管口螺纹选型 |
|
|
|
| |
|
|
| |
|
|