| |
|
|
|
|
|
| |
|
|
| |
|
|
|
|
| |
| |
|
|
|
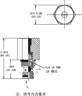
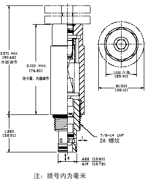
描述:
5/8
MINI 系列,直动式溢流阀 |
|
|
|
技术参数
|
| 额定流量:5
GPM (19 L/Min) |
| 最大工作压力:3000
PSI (207 bar) |
| 过滤精度:30微米(名义) |
| |
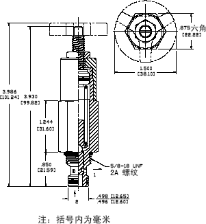
| 阀体尺寸和管口螺纹选型 |
|
|
|
| |
|
|
|
|
 |
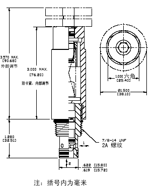
描述:
5/8
MINI 系列,防卡紧直动溢流阀 |
|
|
|
技术参数
|
| 额定流量:5
GPM (19 L/Min) |
| 最大工作压力:1400
PSI (96 bar) |
| 过滤精度:30微米(名义) |
| |
| 阀体尺寸和管口螺纹选型 |
|
|
| |
| |
| |
|
|
 |
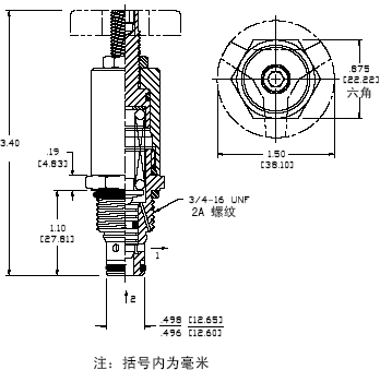
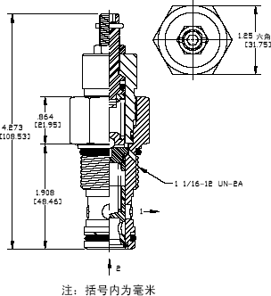
描述:
3/4
POWER 系列,压差式溢流阀 |
|
|
|
技术参数
|
| 额定流量:8
GPM (30 L/Min) |
| 最大工作压力:3500
PSI (240 bar) |
| 过滤精度:30微米(名义) |
| |
| 阀体尺寸和管口螺纹选型 |
|
|
| |
|
|
| |
|
|
 |
描述:
3/4
POWER 系列,压差式溢流阀 |
|
|
|
技术参数
|
| 额定流量:8
GPM (30 L/Min) |
| 最大工作压力:3500
PSI (240 bar) |
| 过滤精度:30微米(名义) |
| |
| 阀体尺寸和管口螺纹选型 |
|
|
|
| |
|
|
 |
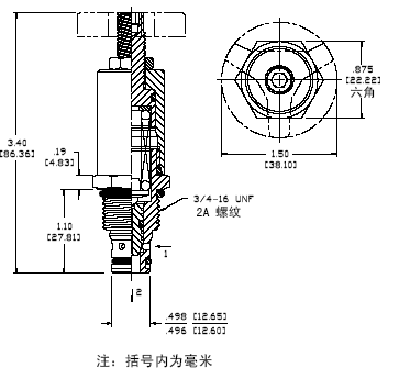
描述:
3/4
POWER 系列,直动式溢流阀 |
|
|
|
技术参数
|
| 额定流量:8
GPM (30 L/Min) |
| 最大工作压力:3500
PSI (240 bar) |
| 过滤精度:30微米(名义) |
| |
| 阀体尺寸和管口螺纹选型 |
|
|
| |
| |
|
|
 |
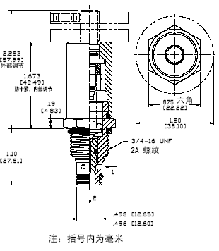
描述:
3/4
POWER 系列,压差式溢流阀 |
|
|
|
技术参数
|
| 额定流量:8
GPM (30 L/Min) |
| 最大工作压力:3500
PSI (240 bar) |
| 过滤精度:30微米(名义) |
| |
| 阀体尺寸和管口螺纹选型 |
|
|
|
| |
| |
| |
| |
| |
|
|
 |
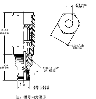
描述:
7/8
DELTA 系列,直动式溢流阀 |
|
|
|
技术参数
|
| 额定流量:10
GPM (38 L/Min) |
| 最大工作压力:150-4000
PSI (10-275 bar) |
| 过滤精度:30微米(名义) |
| |
| 阀体尺寸和管口螺纹选型 |
|
|
|
| |
|
|
| |
|
|
 |
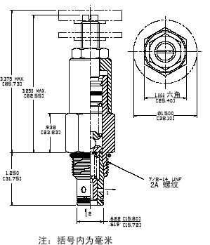
描述:
7/8
DELTA 系列,压差式溢流阀 |
|
|
|
技术参数
|
| 额定流量:15
GPM (57 L/Min) |
| 最大工作压力:50-4000
PSI (4-275 bar) |
| 过滤精度:30微米(名义) |
| |
| 阀体尺寸和管口螺纹选型 |
|
|
|
| |
|
|
| |
|
|
 |
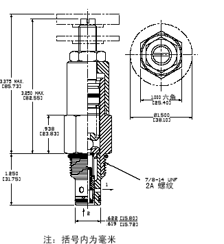
描述:
7/8
DELTA 系列,直动式溢流阀 |
|
|
|
技术参数
|
| 额定流量:15
GPM (57 L/Min) |
| 最大工作压力:100-5000
PSI (7-345 bar) |
| 过滤精度:30微米(名义) |
| |
| 阀体尺寸和管口螺纹选型 |
|
|
|
| |
|
|
| |
|
|
 |
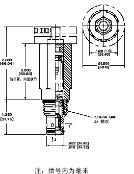
描述:
7/8
DELTA 系列,压差式溢流阀 |
|
|
|
技术参数
|
| 额定流量:15
GPM (57 L/Min) |
| 最大工作压力:100-4000
PSI (8-275 bar) |
| 过滤精度:30微米(名义) |
| |
| 阀体尺寸和管口螺纹选型 |
|
|
|
| |
|
|
| |
|
|
 |
描述:
7/8
DELTA 系列,直动式溢流阀 |
|
|
|
技术参数
|
| 额定流量:15
GPM (57 L/Min) |
| 最大工作压力:100-3500
PSI (7-241 bar) |
| 过滤精度:30微米(名义) |
| |
| 阀体尺寸和管口螺纹选型 |
|
|
|
| |
|
|
| |
|
|
 |
描述:
7/8
DELTA 系列,压差式溢流阀 |
|
|
|
技术参数
|
| 额定流量:15
GPM (57 L/Min) |
| 最大工作压力:100-3000
PSI (7-209 bar) |
| 过滤精度:30微米(名义) |
| |
| 阀体尺寸和管口螺纹选型 |
|
|
|
| |
|
|
| |
|
|
 |
描述:
7/8
DELTA 系列,先导式溢流阀 |
|
|
|
技术参数
|
| 额定流量:20
GPM (76 L/Min) |
| 最大工作压力:100-4000
PSI (8-275 bar) |
| 过滤精度:30微米(名义) |
| |
| 阀体尺寸和管口螺纹选型 |
|
|
|
| |
|
|
 |
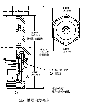
描述:
7/8
DELTA 系列,先导式溢流阀(反向自由流动) |
|
|
|
技术参数
|
| 额定流量:15
GPM (57 L/Min) |
| 最大工作压力:100-4000
PSI (8-275 bar) |
| 过滤精度:30微米(名义) |
| |
| 阀体尺寸和管口螺纹选型 |
|
|
| |
|
|
 |
描述:
7/8
DELTA 系列,先导式溢流阀 |
|
|
|
技术参数
|
| 额定流量:20
GPM (76 L/Min) |
| 最大工作压力:100-4000
PSI (8-275 bar) |
| 过滤精度:30微米(名义) |
| |
| 阀体尺寸和管口螺纹选型 |
|
|
| |
|
|
 |
描述:
7/8
DELTA 系列,先导式溢流阀(反向自由流动) |
|
|
|
技术参数
|
| 额定流量:15
GPM (57 L/Min) |
| 最大工作压力:100-4000
PSI (8-275 bar) |
| 过滤精度:30微米(名义) |
| |
| 阀体尺寸和管口螺纹选型 |
|
|
| |
| |
|
|
 |
描述:
7/8
DELTA 系列,双向插装式溢流阀(串联回路应用) |
|
|
|
技术参数
|
| 额定流量:20
GPM (76 L/Min) |
| 最大工作压力:100-4000
PSI (8-275 bar) |
| 过滤精度:30微米(名义) |
| |
| 阀体尺寸和管口螺纹选型 |
|
|
|
| |
|
|
 |
描述:
7/8
DELTA 系列,双向插装式溢流阀(并联回路应用) |
|
|
|
技术参数
|
| 额定流量:20
GPM (76 L/Min) |
| 最大工作压力:100-4000
PSI (8-275 bar) |
| 过滤精度:30微米(名义) |
| |
| 阀体尺寸和管口螺纹选型 |
|
|
| |
| |
| |
| |
|
|
 |
描述:
TECNORD
系列,先导式液控溢流滑阀 |
|
|
|
技术参数
|
| 额定流量:30
GPM (114 L/Min) |
| 最大工作压力:100-5000
PSI (8-345 bar) |
| 过滤精度:30微米(名义) |
| |
| 阀体尺寸和管口螺纹选型 |
|
|
| |
| |
|
|
 |
描述:
SUPER
系列,先导式溢流阀(反向自由流动) |
|
|
|
技术参数
|
| 额定流量:40
GPM (151 L/Min) |
| 最大工作压力:3500
PSI (240 bar) |
| 最大入口泄漏:1
in3/min(在70%破坏压力时) |
| 过滤精度:30微米(名义) |
| |
| 阀体尺寸和管口螺纹选型 |
|
|
|
| |
|
|
| |
|
|
 |
描述:
SUPER
系列,三通 液动阀(封闭式切换) |
|
|
|
技术参数
|
| 额定流量:40
GPM (151 L/Min) |
| 最大工作压力:3500
PSI (240 bar) |
| 典型内泄(150
SSU):10
in3/min(160ml/min) |
| 过滤精度:30微米(名义) |
| |
| 阀体尺寸和管口螺纹选型 |
|
|
|
| |
|
|
| |
|
|
 |
描述:
SUPER
系列,手动转阀 |
|
|
|
技术参数
|
| 额定流量:40
GPM (151 L/Min) |
| 最大工作压力:3000
PSI (207 bar) |
| 典型内泄(150
SSU):15
in3/min |
| 过滤精度:30微米(名义) |
| |
| 阀体尺寸和管口螺纹选型 |
|
|
|
| |
|
|